←講義のツボメニューへ
ディジタル回路
【2003/11/6】 【第6回】
○今回の講義内容○
DA変換
AD変換
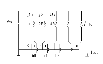
1.荷重形抵抗DA変換

すべて"0"の時は、Ioutは"0"
b0=1,その他は"0"の時、I0=Vref/R=Iout
b1=1,その他は"0"の時、I1=Vref/R=Iout
b0=1,b1=1,その他は"0"の時、Iout=Vref/R+Vref/2R=(b0*Vref/R)+(b1*Vref/2R)
Iout= b0*Vref/R + b1*Vref/2R + b2*Vref/4R + ・・・ + bn-1*Vref/2n-1R
=Vref/R((1/20)b0+(1/21)b1+(1/22)b2+ ・・・ +(1/2n-1)bn-1)
=Vref/(2n-1R)(2n-1b0+2n-2b1+2n-3b2+・・・+20bn-1)
メリット :簡単な回路で作成することができる
デメリット:温度の影響を受けやすい(抵抗値に大きな差があるため)
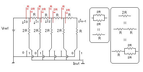
2.はしご形抵抗DA変換

I0=(Vref/2R)b0
I1=(1/2)I0b1
I2=(1/2)I1=(1/4)I0b2
:
:
In-1=(1/2n-1)I0bn-1
Iout=Vref/2R(b0+(1/2)b1+(1/22)b2+・・・+(1/2n-1)bn-1)
=(Vref/2R*2n-1)(2n-1*b0+2n-2b1+・・・+20bn-1)
メリット :1,2Rのみで作成することができる(温度の影響を受けにくい)
3.逐次比較形AD変換
短所:全ビットの比較をするため時間がかかる。(数μsec〜数百μsec)
長所:比較器が少なくてすむ。
4.並列比較形AD変換
短所:多くの比較器が必要となる。
長所:一度に出力を得ることができる(数十nsec)