ハードウェア基礎 2002年度版テキスト




7.半導体メモリー

コンピュータの主記憶装置のメモリー素子としては、最初の約20年間は 磁気コア素子が使われたが、その後の30年間は圧倒的に半導体メモリ素子が 使われている。将来は集積度と速度のあくなき改良を目指して光素子などの 新しい技術が模索されてはいるが、実用化の目処がついているものは今のところ ない。従ってまだ等分の間は半導体メモリーの時代が続くと考えられている。

半導体メモリーで使われるトランジスタの圧倒的多数はMOS−FET(Metal Oxide Semiconductor)である。(略称:MOS)これは先に説異名下接合型トランジスタとは 動作の仕方が違うので、まずMOSトランジスタの概略を説明する。


7.1.MOSトランジスタ

MOSは構造上の名前でありFET(Field Effect 電界効果による Transistor) は動作原理上の名前である。7.1図により構造と原理を説明する。




図7.1 MOSFET




図7.2 ゲート電位0の時の等価回路


MOSトランジスタを表面から内部へ向かって構成する層を見ると、Metal(金属、とりわけ ゲート部分)Oxide(酸化膜、絶縁保護膜)、Semiconductor(半導体、トランジスタ本体) と重なっている。(これまで説明してきた接合型トランジスタもほぼ同様な重なり方だが、 MOSとは呼ばない。あれはMetalが端子として内部へ貫通しているからである。)
FETの機能は、基本的にはスイッチON/OFF機能である。(この点はこれまでの 接合型に同じである。)ソース端子とドレイン端子の間にスイッチがあると想定し、 それをゲート端子に加える電圧によってON/OFFする。
なお7.1図を見て注目して欲しい点は、ゲート端子が参加絶縁膜の上にへばりついている だけであり、内部の半導体と導通してはいない、という点である。(ソースとドレインは それぞれ半導体まで接続している。)

ゲート電圧0vの場合は、7.1図の構成に何の変化も無い。従ってソースとドレインとの 間にはn型半導体、p型半導体と連なる。それぞれの協会ではnp接合とpn接合があり、 3.5節で説明したせ都合ダイオードが存在する。これを等価的に回路図にすると7.2図となる。 この図に従ってソース/ドレイン感はスイッチOFFの状態である。

ゲート電圧=+5vの場合は、ゲートに加わるプラス電圧の力で、マイナス電荷の電子が ゲートメタルのすぐ舌の部分に吸い寄せられ集まってくる。集まった電子は、まずは正孔に 捉えられる。電子を捉えた正孔はマイナス電荷を帯電し、外周軌道の電子の座席は埋まる。 (逆にゲートメタルから離れた場所では電子を送り出したので正孔が増大し、 かつプラスに帯電する。)
さらに続いて引き寄せられた電子はもう安定な座席は無いので、5番目の外周電子の位置に つくしたことになる。そうすると7.3図に示すように、ソースからドレインへの道中に存在 していたp型半導体ではなく、部分的ではあるが、n型半導体に返信したことになる。 そうすると7.3図に示すようにソースからドレインへの道中に存在していたp型半導体の 一部にn型の橋がかかった形になる。この部分を通る経路では、もはやpn接合は存在 せず、n型半導体だけで経路が閉じる。結果として、ソースとドレインとの間のスイッチは ONしたこととなる。等価回路を7.4図に示す。



図7.3 ゲートにプラス電圧を与えた場合


図7.4 等価回路図


7.2.MOSトランジスタの回路記号図

7.4図にMOSトランジスタの記号を使って書くと7.5図となる。



図7.5 MOSトランジスタ記号を使った回路図


7.3.DRAM(Dynamic Random Access Memory)

DRAMは約30年間に渡ってコンピュータの主記憶の素子でありつづけている。 この間の進歩派1石あたりのビット数で見ると

256→1k→4K→16K→64k→256k→1M→4M→16M→64M→256Mbit/chip

とほぼ3年ごとに4倍になる進歩を続けてきた。結果として約30年間で100万倍 に達している。今後さらに1G、4G、16G当たりまでは技術的に可能性がある、と 言われている。
DRAMはあらゆる半導体素子の中で最も生産量の多い素子であり、また技術進歩 の指標となる素子でもある。そのわけはDRAMが最も少ない回路素子で1ビットの メモリを実現していること、そのため主記憶の素子の座を長年守っていることにある。

7.6図に1ビットのDRAM素子、7.7図にそれをマトリックス状に展開した複数 ビットのDRAM構成を示す。



図7.6 1ビットのDRAM素子




図7.7 DRAMメモリ素子マトリックス

コンデンサにプラス電位の電荷がたまっている場合、その素子は”1”を 記憶している。コンデンサに電荷がたまっていない場合、その素子は”0” を記憶している。


7.4.DRAMへのアクセス

7.7図において0101番地をアクセスする場合は、全ての番地船の中で0101番地銭のみが”1” になる。すると0101番地に繋がる全てのビット位置のMOSトランジスタのゲート電位が +5vになり、これらのトランジスタではソースとドレイン間がスイッチONの状態になる。 するとコンデンサがビット線に接続された状態になり、ビット船の電位はコンデンサが 帯電電荷を持っておれば+5v、もっていなければ0vとなる。これはすなわち0101番地に 記憶されていた情報がビット線に読み出されたことになる。
アクセスされていないほかの番地(0100番地、0102番地など、0101番地以外の全ての 番地)では番地線には”0”信号(=0v)が与えられるので、それらの番地のMOS トランジスタのゲートの電位は全て0vとなる。するとそれらのトランジスタはスイッチ OFFとなる。つまりソースとドレイン間は切り離された状態となり、コンデンサは他の回路には繋がらず、 孤立したままとなる。7.8図にDRAMへのアクセス(指定された1個の番地の読み出し、または書き込み) と読み出された情報とを示す。



図7.8 DRAMへのアクセス(各ビットのMOSトランジスタとコンデンサは図示していない)

上図で番地線は選択指定された0101番地以外は黒線で示してある。これらの指定されていない 番地ではMOSトランジスタは全てOFFになり、コンデンサは孤立状態になるものの、完全な 絶縁孤立状態ではない。特にプラス帯電しているコンデンサでは周囲の参加絶縁膜の不完全性 により、僅かづつ電流が周囲へ漏洩し(リーク現象)電荷は時間と共に減少していく。 このまま放置しておくと記憶を喪失するので、DRAMでは一定の時間間隔でメモリの全番地 を順次強制的にアクセスして記憶内容のリフレッシュを実施する。すなわち記憶を喪失 する前にアクセスしてやって読み出した情報を新しく読み出した情報を新しく正規の電位に もどして書き込んでやる必要がある。リフレッシュを実施する間隔はDRAM素子にもよるが、 100ms〜200ms程度である。リフレッシュ動作中はコンピュータのプログラム走行は休止と なる。(主メモリ=busyで待たされる)DRAMのD(=DYNAMIC)はこのように記憶が 時間と共に動く(薄れる)性質から名づけられている。7.9図にコンデンサの電位の リフレッシュを示す。



図7.9 DRAMのコンデンサ電位のリフレッシュ


7.5.DRAM(Static Random Access Memory)

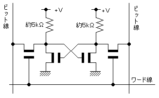
SRAMはDRAMと異なり、リフレッシュ動作が不要である。なぜならばSRAM では1ビットの記憶作用は1個のSRFFが受け持つ。従って電源がONである限り 記憶が薄れることは無い。SRAMで使用するSRFF回路はMOSトランジスタを 4個使って7.10図のようになっている。



図7.10 SRAMのビット


この図をDRAM7.6図と比較するとトランジスタ数が4倍となっている。 これはリフレッシュ不要のための代償である。実際の市販品でもSRAMの ビット集積度はDRAMの4/1である。(トランジスタの全体吸うが同じ 場合、ビット数は4/1になる)なお読み出すための時間すなわちアクセスタイム はSRAMのほうが数倍以上早いので、伽主メモリ(Cach Memory)のように 主メモリよりも小容量で早いメモリに使用される。

7.6.ROM(Read Only Memory)

ROMは記憶内容が固定的で、電源を切っても記憶内容を失いたくない部分に使用される。 パソコンでの代表的な例はブートストラップローダとか、BIOS(Basic Input Output System) である。これらは最初に電源をONにした状態でCPUの主メモリがまだ真っ白な状態にあるときに 動作を開始せねばならない。そのとき主メモリに変わって最初に動き出すプログラムを ROMが供給する。
ROMには2種類ある。マスクROMとPROM(Programable ROM)である。 単にROMと言うとマスクROMを指す。(電源を切っても記憶を失わない性質を 不揮発性(non volatility)という。)

7.6.1.マスクROM

マスクと呼ぶのは半導体のパターンを作る写真製板の原版(=マスク) に記憶すべきバイナリ情報を焼き付けるためである。いろいろなやり方があるが、 代表的な方法を7.11図に示す。



図7.11 マスクROM


7.6.2.PROM

マスクROMは半導体素子が製造される過程で記憶内容が焼き付けられるが、PROM では素子が製造された段階では全ビットの記憶内容が”0”として出来上がる。その素子が コンピュータの中に取り付けられる段階で、必要なビット位置に”1”を焼きこむことがある。 このため正確にはCustomer Programable ROMと呼ばれる。コンピュータの開発試作の段階で よく利用される。PROMは普通のものは1回だけ記憶内容を焼きこむことができる。(焼き直しはできない。 7.12図に代表的なPROMの回路を示す。



図7.12 PROMの各ビット(焼きこみ前)

7.12図のままではあるワード線を選択して+5vにしても、ダイオ―ドDaが逆方向に 接続されているためビット線に向かって電流は全然流れない。ビット線の電位は低電位に 抑えられる。全てのビットが同じであるからすべて”0”を記憶していることとなる。 ”1”を記憶させたいビット位置は、そこのダイオードDaを除去する必要がある。 そのためには該当するワード線にプラスの過大な電圧をかけ、同時に該当する ビット線にマイナスの過大な電圧をかける。すると交点のDaが絶縁破壊されショート してしまう。(Dbには順方向の大電流が流れるが焼損に至らないように抵抗を入れて 制御する)乱暴な方法ではあるが、結果的にはDaを除去したことになる。 このような絶縁破壊による方法は素子内部に何らかの歪みを残すので、PROMを 長い年月にわたって使用する製品に組み込むことは推奨できない。 PROMはあくまで記憶内容いの度重なる変更を伴う開発試作の段階で使用するものであり、 記憶内容が最終的に固まればマスクROMに置換して製品化する。 (Dbはワード選択信号が他のビット線へ回り込みをしないように防ぐため)

7.6.3.EPROM(Erasable PROM)

PROMは1回しか書き込みができないが、何度も書き直しができるPROMを EPROMという。EはErasableで「消去可能な」という意味である。この場合は 絶縁破壊のような固定的な方法ではなく、電気材料的にもっと複雑な方法を取る。 消去の手段として紫外線を当てるものと電気信号によるものがある。詳細は省略する。