ハードウェア基礎 2002年度版テキスト




5.論理ゲート回路

論理ゲートAND,OR,NOTはダイオードとトランジスタスイッチを主とする回路で 実現される。これをDTL回路と略称する。(Diode-Transistor-Logic)

最近ではDTLは使われずにTTL(Transistor-Transistor-Logic)若しくは MOS(Metal-Oxided-Surface)回路が主に使用されるが,原理的に理解しやすいDTL から説明し、あとでTTL,MOSを説明する。


5.1.ダイオードによるANDゲート

5.1図にダイオード2個を用いた2入力ANDゲート回路を示す。

2.1で電気回路はいつも電流が還流するものであり、ループになって閉じた配線になっていると 説明した。4.2図5.1図などでは回路と言っていながらこの原則にマッチした図にはなっていない。 それには2つ理由がある。1つは電源の配線とアースとを部分的記号で示すだけで完全な配線を 書いてはいない。これは全部書くと図が煩雑になるため常識的に判ることとして省略してある。 2つめは入力より前段の回路部分、出力の公団の次の回路部分を省略して書いていない。 これは描くときりが無く次へ次へとつながるので図がまとまらなくなる。よって省略することが 普通である。




図5.1 ダイオードによる2AND

この図で、IまたはIが電位0vならばO の電位は0.7vになる。(0.7vはダイオード順電位)
およびI両方が電位5vならば、O の電位は4.5vになる。(オームの法則による)
もし電位0.0〜1.0vの範囲を論理記号”0”、電位2.0〜5.0vの範囲を論理記号 ”1”として弁別するならば、この回路は2入力ANDゲートとして働く。トランジスタは 使用しなくても、2ANDが実現するかに見える。しかしこの回路は5.2図のように 複数段を縦接続すると上手くいかない。



図5.2 ダイオードANDゲートの3段縦属接続

上図のように1段ごとにダイオード順電圧0.7vが累積していくから、3段目の 出力が2.1vになる。本来は0v論理”0”であってほしいところが2.1では 論理上”1”に弁別されてしまう。


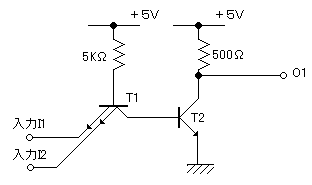
5.2.トランジスタスイッチをつけたNANDゲート回路

出力電位がつみあがる不具合を防ぐために5.3図に示すトランジスタスイッチが必要となる。




図5.3 2ANDダイオードの後ろにトランジスタスイッチをつける(NANDに変わる)

この回路は2つの入力の両方ともが”1”の時にトランジスタがONで出力は”0”、 2つの入力のいずれか片方が”0”のときトランジスタがOFFで出力は”1”となる。 違う点は出力が”0”のときの電位が0.2v程度※であり(ダイオードのみでは0.7v程度) また入力信号が、この回路は5.1図の2ANDダイオードゲートの後ろに4.2図のトランジスタ スイッチをつけた形であるが、間にダイオードが2個(D、D)が 挟まっている。この2個のダイオードのはたらきは以下のようになる。

・入力信号のどちらかが”0”になった時、(A)点の電位は約0.7vとなる。
・そのときトランジスタTにベース電流が絶対に流れないようにしたい(=OFF)
・Dがないと、(A)電圧=(B)電圧となり、ベース電圧=0.7 vとなり、ベース電流が流れる。
・Dがあると、ベース電流は・D・D を流れるためには(A)電圧=0.7+0.7+0.7=2.1vが最低限確保されねばならない。 逆にいうと(A)電圧=0.7vではベース電流は流れない。

トランジスタがONの時、コレクタの電位が0.2v程度まで低くなっても、 コレクタ電流が流れてくれる理由

・トランジスタがONのときはベース電流が0.7vい上蟻、ベースからエミッタへ 電流が流れることによってスイッチONすなわちコレクタ電流も流れ始める(このとき 自由電子は逆向きにエミッタからベースへ移動している。)

・コレクタ電流が流れ始めるとコレクタ回路に入っている抵抗500Ωのために電圧が 降下し、コレクタの電位は5vより低い電位になる。すなわちコレクタの電位=5v・ 500Ω×Ic

・コレクタ電位が0.7vつまりベース電位に等しくなってもエミッタからベースに侵入した自由電子は 十分にコレクタ接合のほうへ越境侵入する。両者が同じ電位だから電位による電子をひきつける力は 5分5分であるが面積的にコレクタ接合のほうが大きいためベース電流よりもコレクタ電流のほうが十分大きい。

・コレクタ電流がもっと増大してコレクタ電位がもし0vまで降下したと仮定すると コレクタはエミッタと同じになり、ベース電流を受け入れる立場になってしまう。つまり コレクタはエミッタと同じになり、ベース電流を受け入れる立場になってしまう。つまりコレクタ電流は ストップするのみならず逆流する。(仮定に矛盾)

・これは仮定に矛盾する結果であり、従ってこういう仮定が起こることは無い。

・実際はコレクタ電流がもう少し増大して、コレクタ電位が0.7vよりも若干下回る電位になっても コレクタ電流は流れつづけてくれる。つまりエミッタからベースに侵入した自由電子を引き合う力は ベース端子に若干劣るが、接触面積の差でそれを補っている。しかもベース/コレクタの電位差が 逆電位になるものの0.7vまでには至らないから逆向き、つまりコレクタ→ベース向きに 電流が移動することも無い。

・実測結果では、コレクタ電位が0.2v程度まで低下するのがコレクタ電流が流れつづける限界である。


これがDTL(Diode Transistor Logic)の2入力NAND(NOT+AND)回路である。 実際には、独立のダイオードを個別に製作するよりは、半導体プロセスとしては5.4図 に示すようなエミッタが2個ある1つのトランジスタを製作するほうが容易なので、TTL (Transistor Transistor Logic)回路が使われている(回路説明は省略)



図5.4 TTLによる2NAND回路

上のTTL回路にはまだ改良すべき点が1つある。それは、TがOFFで、 出力のO端子から次の回路へ電流が流れ出なければ+5vなのであるが、 実際は出力電流が流れ出る。特に、次に繋がる回路が多い場合、出る電流も多くなる。 するとO端子の電位は+5v×500Ω×IOUTとなって、 電流の量に応じて電位が低下する。この回路では6maの出漁K電位が流れ出ると、 O点は+5v・3v=2vとなり、”1”なのか”0”なのか判別しにくい 電位になる。この欠点をS訂正するため現在のTTL回路は次の5.5図のようなものが使われている。 これはおおよそ5.4図のTの後ろにT、Tを 追加したものである。(回路動作説明は省略)



図5.5 実用TTL 2NAND


5.3.TTL NANDゲートの使い方

5.5図の回路は

T2:ONのとき  T3:OFF / T4:ON
T3:OFFのとき T3:ON  / T4:OFF

とスイッチする。またT3:ONの場合の電位がほぼ3.6vに固定されるはたらきが ある(エミッタフォロワ回路)従ってこの回路の出力部分は簡単に5.6図に置き換えて考える のが判りやすい。



図5.6 実用TTL回路の出力部分の等価回路

一般に1個のTTL論理ゲート回路(AND、ORなども含めて)を実現するのに、 4個のトランジスタを必要とする(FFの場合は12個要る)従って1000万個の トランジスタを持つ超LSIを論理ゲートで換算すると、250万ゲートをもつと 換算される。
上記TTL回路の出力部分の回路を複数個お互いの出力同士を直接に接続すると どうなるか?とりわけある1つの出力端子が3.6vにONしていえt、直結された別の出力端子 が0.2vにONすると、両者の出力部分のトランジスタに大電流が流れトランジスタが焼損する。
他の問題はFAN−Out制限である。出力端子Oの先に(他の出力の直結は 避けているとしても)あまりに多くのほかの入力端子が接続されると、Tが(エミッタ フォロワの限界に達し)3.6v一定値を維持できなくなる。普通は10個程度の入力が 接続されるのがほぼ正常限界である。このような時、MAX.Fan−Out=10と称する
3NAND、4NANDか色は、入力部分のトランジスタT1のエミッタをマルチ化することで 実現される。AND回路、OR回路、NOR回路などは回路をすこし変形させることで得られるが、 NAND回路だけをうまく使ってAND、OR、NOTを全て代行実現でき、またそれが 効率的な実現手段でもある。普通の論理回路は、積和型と称して、AND+OR(OR+ANDでは ない)の形になることがほとんどである。この形をNAND回路だけを使って下図のように実現できる。


図5.7 NANDのみを用いた回路構築