ハードウェア基礎

第3回(第1回で出た課題の解説)


問題1

電流は、何らかの外部エネルギーを受けて、物質内のj電子が移動することである。 一方、あらゆる物質の原子構造には、電子が含まれている。だとすれば、あらゆる物質で 同じように電流が流れても良いかのようであるが、実際にはどうのような良導体もあれば、 ガラスや陶器のような絶縁体もある。その差は何によって起こると考えられるか?

解説

原子構造の最外周の電子の束縛力が強いか弱いか(自由電子予備)による。 弱いものが良導体である。逆に絶縁体では、最外周の電子が強い束縛を受けて 外部へ移動しない。
(補足)
束縛力は一般に外周ほど弱い。特に最外周の電子の個数が奇数の場合に弱い。 (原子が相互に配列して分子になった時、最外周の電子は隣接原子に相互共有され安定 するが、奇数子では、上下左右とのペアであまりが発生して、そのあまった電子は束縛力が弱い) その他の原因として、陶器のような多結晶のものは、金属のような単結晶の物より隙間(空気層) が多く、電子は移動しにくい。


問題2

摩擦によって静電気を発生させた時、摩擦を中止してしばらくすると、プラスマイナスの静電気が中和して 静電気は消滅する。しかし一般に絶縁体に帯電した静電気は中和に時間がかかるが、絶縁度の低い物体に帯電した 静電気は、中和に時間がかかるが、絶縁度の低い物体に帯電した静電気は短時間のうちに中和消滅する。 その理由を考えよ。

回答例

絶縁度の低いものは過剰電子(不足の場合も同じ)の移動が起こりやすい。 移動すると、逆極性に帯電している場所に近づいて中和したり、良導体に接触したりする 機会が早く発生するから。


問題3

電気現象を水に例えて説明する場合が多い。電位、電流、は、水位、水流、に例えられる。 この例えは概念として分かりやすくて良いが、細かく考えると、電気と水には相違点も いろいろある。そこで電流と水流の相違点を挙げよ。

解説

電気と水の違いを考える。
水:通常の物質である。(目に見える、堆積がある、重さがある、熱をもつ)
電気:通常の物質ではない。(物質の一部に付属する電子である。目に見えない、堆積は無い、重さは無い)

電流と水流の大きな相違点は、上記の物質なのか、物質でないのかに拠るものである。

回答例

水流

・水自身が流れる、物質として流れる。物質が移動するからには、邪魔な他の物質があっては流れない。流れる空間があいていなければならない。
・物質だから引力を受ける。水が高いところから低いところへ流れるのは地球引力による。
・物質が動くと運動エネルギー(慣性エネルギー)を持つ。水も慣性を持つから、勢いよく流れている水は場合によって高いところへ逆流するエネルギーも持つ。 水流が二股に分岐する時、二股の角度によって、必ずしも半々に分岐するとは限らない。

電流

・電流は良導体の中の自由電子の玉突き移動である。良導体の物質自体はなんら移動しない。
・物質でないものが移動するだけだから、空間が詰まっているところを流れる。逆に空間が空いて、間隙があると、 自由電子が移動できないから電流は流れない。
・電流は物質ではないから地球引力の影響は受けない。慣性が無いから分岐の角度の影響も無い。
・電流が流れる理由は電圧(電位差があるからで、電圧は自由電子の存在の密度によって生じる。
・電流の流れる方向は、その実態である電子が動く方向とは逆向きに定義されている。


問題4

下図のように接続した時、電流は流れるか、流れるとすれば何Aの電流がどの向きに流れるか?



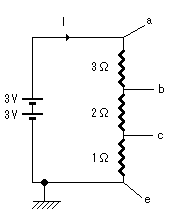
問題5

下図のように接続したとき、全体を還流する電流I、およびa点、b点、c点の電位をそれぞれ求めよ。



全体の電流I=全体電圧/全体抵抗=6V/6Ω=1A
a点とb点との電位差=1A×3Ω=3V(a点の電位ではない
b点とc点との電位差=1A×2Ω=2V(b点の電位ではない
c点とe点との電位差=1A×1Ω=1V(これはc点の電位)
(e点電位は、アースに直結しているから0Vである。)

b点の電位=bc間電位差+ce間電位差=2V+1V=3V
c点の電位=ab間電位差+bc間電位差+ce間電位差  =3V+2V+1V=6V

a点は良導体で、電源6Vに直結しているから、上記の計算をせずとも見ただけで6Vである ことは自明である。


問題6

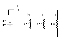
下図のように接続したとき、全体の電流I、およびla、lb、lcをそれぞれ求めよ。




全体の電流は後にして、個々の電流を個別に求める。
la=6V/3Ω=2A
lb=6V/2Ω=3A
lc=6V/1Ω=6A

全体電流=個別の電流の和=2A+3A+6A=11A



←トップへ
←授業選択画面に戻る
←鈴木研究室ホームへ